永信贵宾会-欢迎您永信贵宾会

Stock Code:002449
Back

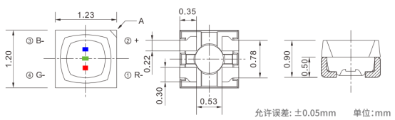
NH-B1212RGBA-HF

goods_63b5318e9e543

FEATURES

1.Small but delicate, black leadframe, high contrast;

2.Good reliability, high cost performance;

3.Matt finish package, no reflection, good surface consistency.

PRODUCT PARAMETERS

Product Name

Color IF(mA)
TEST
λd(nm)
Typ
Iv(mcd)
Typ
Vf(V)
Typ
View angle
(deg.)

NH-B1212RGBA-HF
1.2×1.23×0.9

8 621 36 2.0 110
5 526 105 2.8 110
3 470 15 2.8 110

DIMENSIONS/UNIT(mm)

永信贵宾会-欢迎您/>

永信贵宾会