永信贵宾会-欢迎您永信贵宾会

Stock Code:002449
Back

3014 series

Small size High Luminous Efficacy

永信贵宾会-欢迎您

FEATURES:

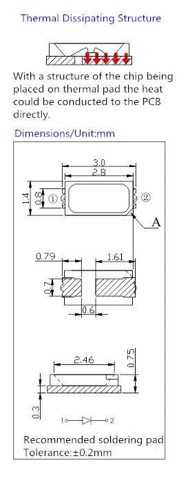
• Thin encapsulation with heat sink
• Applicable to LED bulb,LED tube,LED panel etc. cost-effective
• Rated power:0.1W


ABSOLUTE MAXIMUM RATINGS:

Parameter Symbol Rating
Forward Current IF 35mA
Pulse Forwards Current*²
IFP 100mA
Reverse Voltage
VR

5V

Working Temperature
TOPR
-30~+85℃
Storage Temperature
TSTG
-40~+100℃


PRODUCT PARAMETERS/TA=25℃:

Color Part number Color Temp(K) CRI Ra Min I F( mA)
TEST
Φv(l m)
Typ.
VF( V)
Typ.
I R( µA)
Max*1
Natural white FM-3014WNS-460T-R8 5600-6500 80 30 12 3.2 10
Neutral white
FM-3014WDS-460R-R70 3700-4200 70 30 11 3.2 10
FM-3014WDS-460T-R80
3700-4200
80 30
12 3.2
10
Warm white
FM-3014WLS-460R-R70
2800-3200
70 30
10 3.2
10
FM-3014WLS-460T-R80
2800-3200
80
30
10 3.2 10


DIMENSIONS/UNIT(mm):

永信贵宾会-欢迎您

永信贵宾会